Arisia 2012 lighting design stuff and other supporting info
[Last rev: 120108]

Design diagrams -- main tent

roompln.gif -- overall room picture; use to figure rough placement and wiring paths.
  Same idea as previous year, maybe slightly simpler.
pwr.gif -- power routing paths and cable allocation, both dim and nondim
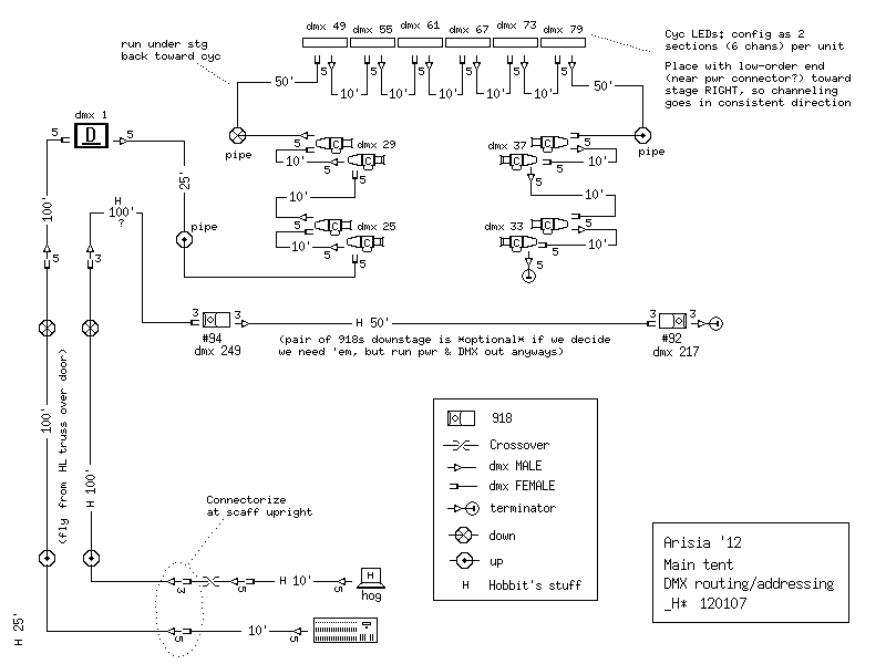
dmx.gif -- DMX hairball -- less complex this year, wiggle-lights are elsewhere
hse.gif -- house trusses
stg.gif -- side-stage booms   [with *more* wikkidnifty dichro color-changers!]

Design diagrams -- dance tent

dfover.gif -- general layout of dance room (Commonwealth)
dfplot.gif -- dance tent conventional lighting

Misc

ALPS-main.pdf [23K] and ALPS-rest.pdf [21K] --
  Official ALPS orders for main-tent and dance/everything-else. Includes line-item pricing,
  again helping future planning efforts.

33icswired.jpg and 34icsdone.jpg --
  Wiring and completed appearance of an intercom "channel splitter", which creates a new
  independent audio channel from a single-output power supply. Based on the circuit shown
  at the end of this article. Result of a perceived need that kicked around on the mailing lists,
  and obviously has very little to do with lighting.

See last year for preliminary and supporting documentation,
info from the hotel, budget noodling, pix sets, and of course ponies.