Documenting a bygone era:

  Laser-show gear schematics from the last century
  Back in the eighties, my primary hobby was playing with lasers and the fun visual effects they could produce.  While we can do a lot by simply hand-holding objects in a beam, an informal group of us shared a common interest in mechanizing it a little more, and building amateur versions of the fancy professional laser-show gear we'd seen in action at events and planetariums.  There were several orders of business as part of this -- firstly, acquiring the suitable lasers themselves, and then figuring out how to design and build systems around them to produce effects that could be controlled electrically.  The hobby brought together quite a few aspects of science and engineering -- lasers and optics, mechanical engineering for the show accessories, electronics design and assembly for control, and the comparative merits in different brands of duct tape.

It was fun, and in part sort of a friendly competition among friends who only saw each other at East Coast science fiction conventions.  We would slave away on this stuff in between, with the idea to always try to bring some new toy or level of advancement to the next convention.  Kept us off the streets, I suppose, except of course when hamfests and techie flea markets came along, when we'd go shopping for the support materials we needed.  All of us were (and still are to some extent!) skillful trashpickers as well.

There are relatively few records from that time, since we did not yet have the ubiquitous internet and handy digital recording capability.  We were actually all on the network already, before dot-com or dot-anything even became reality, so we could exchange email and ideas.  But the idea of shooting a "looky at this cool thing I threw together!" video and hanging it out on Youtube or something wasn't even on our radar yet.  [Someday I may try to unearth what few old photos I can find of this.]  However, I did try to document my own work fairly carefully, if for nothing else than to have clear references in case *I* needed to dive back in and fix some piece of my gear.  For that as well as being able to geek out over engineering points with people at the events we attended, I worked up nice neat schematics for my electronics pieces after the designs were more or less finalized.  I recently dug some of these out of long-archived piles of notes and worksheets, and decided to digitize them for some dubious posterity.

The title boxes and sheet frames were originally printed by simple Postscript routines, but all of the drawing was by hand.  A close look may be able to detect minor artifacts from areas that received white-out where I made small mistakes, but I managed to get rid of most of it in the process of cleaning up all the document-cam photos here.


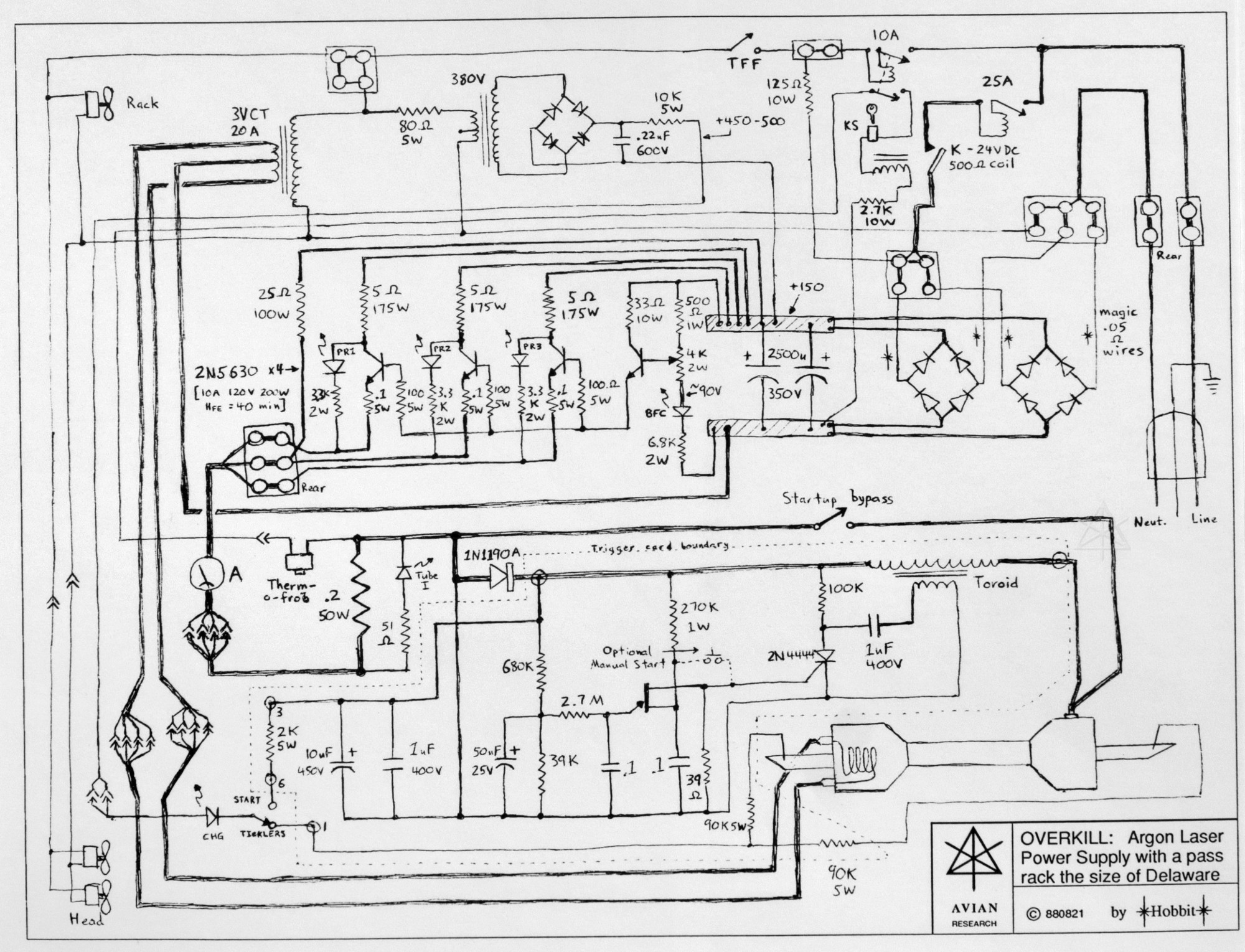
The lasers generally available on the hobbyist market at the time were the standard red helium-neon types, at typical outputs from 1 to 5 milliwatts.  They were okay, but sort of stuck in a rut as far as color variety.  One clear pride-and-joy bit of my kit was a salvaged argon laser from an early high-volume laser printer, which produced a beautiful blue beam at quite a bit more power, and could even split into a few different lines of color under some circumstances.  I only had the tube head, and it took a while to work up a suitable power supply via sketchy specs I managed to worm out of a support guy at the company that originally made it.  One of the most memorable days of my life was when I got that thing to fire for the first time.  I was just agog, staring at an incredible cyan dot on the wall.  "Blue sex!" I triumphantly emailed my colleagues, and that tube along with other tubes that had started hitting surplus markets took our informal shows to a new level.  My first power supply was super-primitive, using an alligator clip to move between points on a resistor bank, and I had to hand-trigger the tube with a piezoelectric sparker to start it up.  I wanted something more robust, less of a fire and electrical hazard, and with variable output, so the end result was this.
 
Schematic for argon laser and linear power supply This was brute-force linear, as indeed were the commercial supplies of the time.  Rectify and filter the wall, and feed some of that to the tube.  1500 watts in, about 0.05 watts of that would dribble out the front as light, and the rest went up as heat and got fanned away.  Switching power supplies were still somewhat exotic at the time, so this is what I knew how to work with.  The parts to build all this were largely scrounged, with some of the more critical stuff like the special power transistors ordered by mail.
  [All thumbnail images link to larger-detail ones.]
  At the time I worked at a place that had a big boneyard of old computer and other gear in a storeroom, which I was constantly raiding for parts.  It was all slated for disposal anyway, nobody cared.  Computers and peripherals of the time were built in big klunky metal and plastic boxes, so things like old modems and drive enclosures were easy to repurpose and house my creations in.  Obscure computer boards and interconnects often provided a goldmine of parts and connectors to use, and there were miles of all kinds of cable and wiring to snarf for hooking it all up.

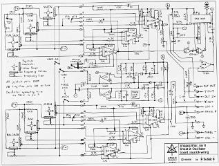
The modern design methodology of running everything with a processor and writing the necessary code was still less common, so my first beam-switching project was done in raw TTL on a beautiful socketed and wire-wound board I found inside some old IBM controller or something.  Beam-switching is what we would often see at concerts and such -- brilliant shafts of pure-color light leaping out over an audience through the fog, and they'd swap crazily back and forth in time to music (or not).  The easiest way to do this was to use a mirror to swing a beam across a handful of other adjustable mirrors, which would be aimed off in different directions across a space.  This is hard to do accurately by hand, especially when you're trying to have that exiting beam hit *another* mirror across a room -- alignment is critical.  So the idea was to have something completely repeatable, i.e. when commanded to redirect-mirror number 3 it would always lock in the same position and reliably "spiderweb" a room through one or two more strategically mounted catch mirrors.  Stepper motors were an obvious choice, with a wealth of same to be found in old floppy drives and printers and such.  These must be driven in a particular way to move in the right direction and stop on a particular step, so electronic control is necessary.  The box I came up with, through two or three revisions, I named the Beam-O-Tron.  With a remote keyboard I could sit back across a room from my toys and have my small but very satisfactory analogue of that mega-concert look.

 
Logic and driver circuit for Beam-O-Tron beam switcher Beam-O-Tron documentation
      Beam-O-Tron logic       Documentation
A feature in the final revision was an optional half-step hold, with two coils energized instead of one.  I found that with some stepper motors, this not only delivered more accurate positioning, it was a way to beat annoying mechanical hysteresis -- position variance depending on which rotation direction it arrived from.  Going to the base position and then always *advancing* for the half-step eliminated that completely.

Again, all high geek-value material, and we loved subtleties like this.  We would often post printouts of our engineering doc on the walls at our events, for those interested in the inner workings to enjoy and discuss.


  It wasn't just switching, of course; some effects involved slower movement in combination with the fun optical effects that are unique to lasers.  We had collected a whole batch of various bits of glass, reflective mylar, mirrors, diffraction material, and any other surface or stuff we could think of that would bring forth beauty in light.  While this could still easily be hand-held and moved it was necessary to have some of that accessible in a show context, so some of the better effects generation materials were attached to motors where a beam could be sent through the right way and the movement controlled.  The original idea of variable motor control sprang, I think I remember, from the common hobbyist "spirograph generator" with two motors, mirrors attached at slight angles to the ends of the shafts, and a beam bounced off both of them and projected on a wall.  Varying the speeds of both motors would produce a wide variety of loopy radial shapes, that would move and change in ways that would really mess with your persistence of vision sometimes.

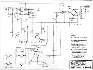
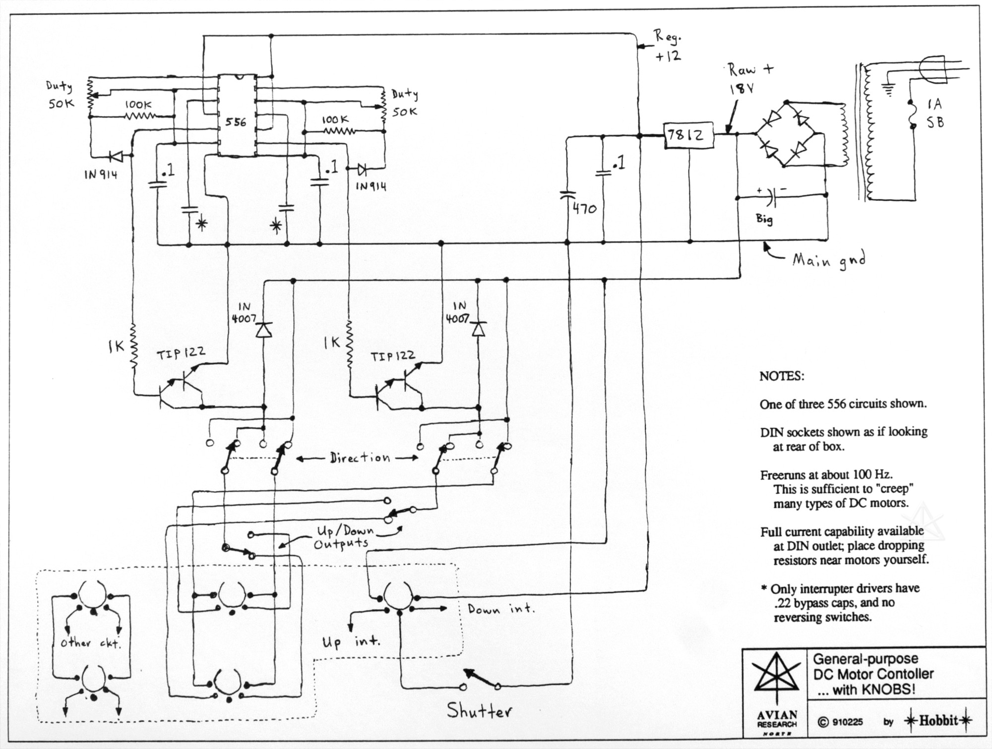
Even though my gear eventually evolved past the "spirograph" point and graduated to a coveted pair of galvanometers, I still needed a general-purpose motor controller for everything else.  Here was an early example of applied switched-mode technology -- a typical DC motor responds quite well when driven in a pulse-width modulated way, and the circuitry to do that is fairly simple.  Using a particular range of switching frequency also helps motors be far more controllable during low-speed "creep" -- which was exactly what was needed for certain types of effects.  Some optical elements were mounted on gear-motors and would always turn slowly, but some others wanted to be driven over a wider range of speeds and this controller was perfect for both jobs.

 
PWM effects motor driver box In its final incarnation, the motor controller had four generic output connectors and one special one for the input side of the main effects-box -- controlling a beam shutter and two "interrupter" motors to chop their respective beams into segments.  Those two motors didn't need directional switching, just good stable speed control.
 
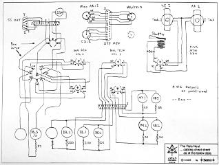
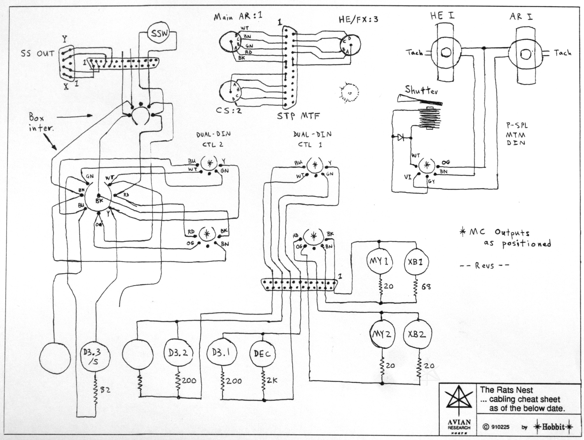
Show interconnect wiring The motor control was part of my hub of overall show control, with the "rats nest" consisting of several cables run between the control-head position and the actual lasers and effects hardware.  This sheet actually documents the simple but necessary wiring inside the main effects box, in a way that also details on-site cable hookup.  It was actually a fairly tidy and 100% plug-in arrangement once more or less finalized.

  No laser show is complete without some way to do line-drawing on a projection surface with the small spot.  In fact, many shows are based entirely on that and less on inherent optical effects.  This is a much deeper engineering problem, first because specialized components called galvanometers are needed -- similar to an analog meter, something that twists a shaft a certain amount under electric control.  With a shaft-attached mirror oriented in one axis and feeding its beam to another oriented 90 degrees on another axis, we get full X/Y control of beam deflection.  The next problem is to drive the galvanometers with suitable signals, and at sufficient speed to draw vector graphics that repeat fast enough that our brains interpret the result as complete figures.  Varying the signals over time makes the figures move.

The professional-level galvanometers used in commercial shows were generally tiny and very fast, with highly custom driver circuits, and *stupidly* expensive.  I settled for a bigger, slower pair but those were quite capable nonetheless, up to about 200 Hz.  Our brains stop interpreting flicker at about 30 Hz, so they were fine for my purpose and more importantly I could afford them.

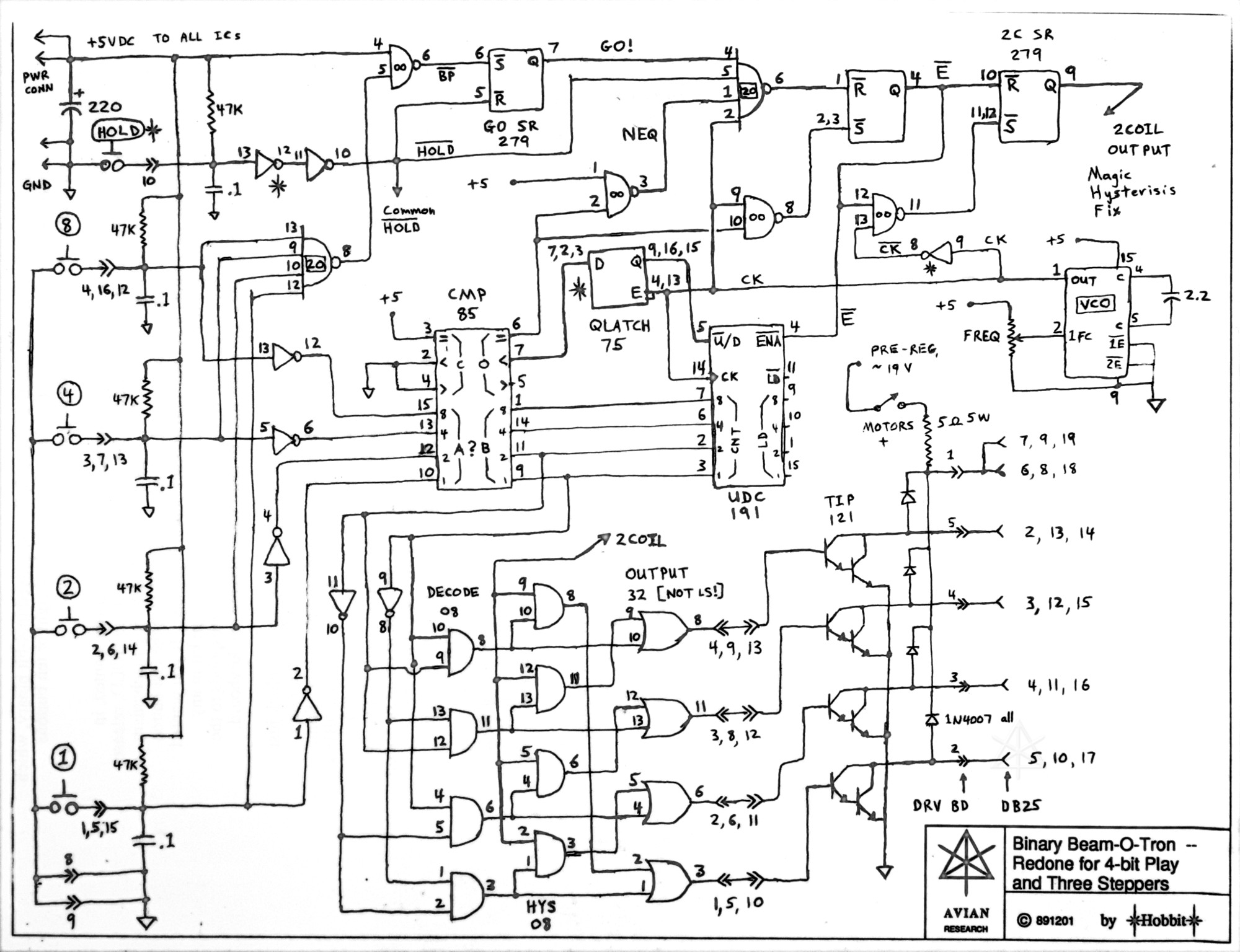
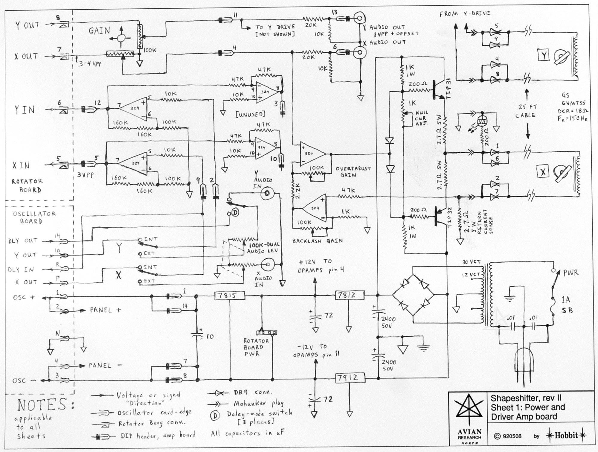
My approach to suitable signals was purely analog, at the time not tackling the computer-driven type of thing that was evolving in the professional shows.  [And ultimately, I never went that route, although one of my colleagues did later on and did quite a nice job in that area.] In fact, for a long time the system at our local planetarium was still primarily analog with only a few specific figures "drawn" from signals played off tape once in a while -- no local computer generation, that was done at the company mothership and sent out to show locations.  Our group had an incredibly fortunate opportunity to sit down and chat in technical depth with the guy who ran those planetarium shows, who was also quite the engineer himself and had added some fun features to their system.  From that nerd-fest emerged several enhancements to my own signal-generator box, which I dubbed the Shapeshifter.

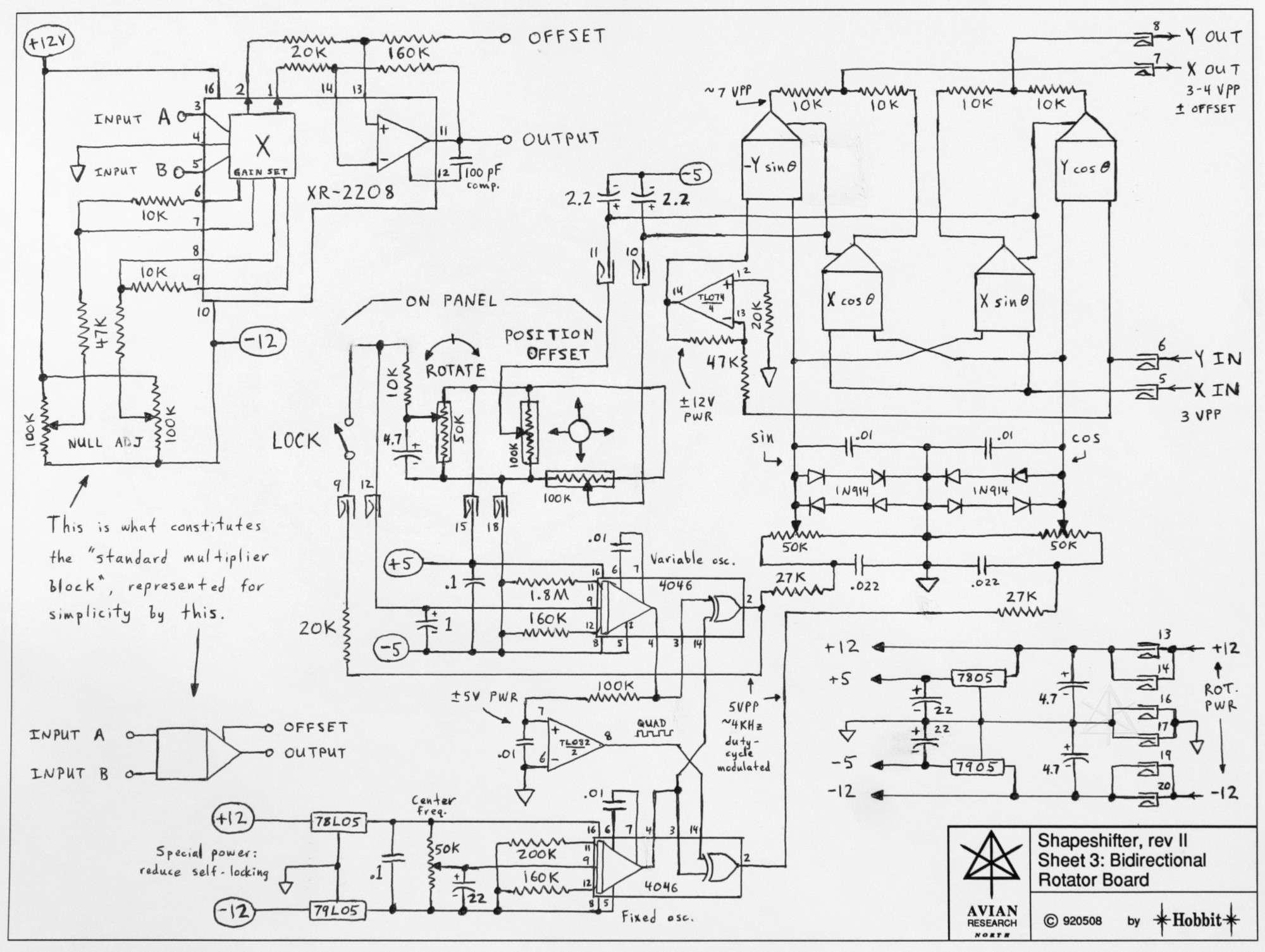
This was built into a big old aluminum case for some kind of "high speed" data modem whose days were long over; it already contained a beefy power supply and a big beautiful flat sheet-aluminum upper surface that I was free to drill mounting holes in to my heart's content.  Joysticks and knobs were used to control the base electronics, which I commonly referred to as "six oscillators all buttfucking each other".  The basic output was a huge variety of Lissajous patterns, as one would expect from variable signals in X and Y.  Later, circuitry got added to delay one axis into the other in creative ways and lo and behold, I had a rough equivalent to a "spirograph" generator again that was more stable and easier to control.  Horowitz and Hill taught me about phase-locking, and from that came a simple circuit to gently lock the two running axes together in any relative harmonic, to yield figures that *didn't* keep precessing by themselves.  But the crowning feature, an idea that fell out of the Planetarium Pow-wow, was the rotator board -- a feature to take any figure currently being drawn and simply spin it around the center using a sine/cosine transform.  This, as I'd seen in some of the Planetarium shows, opened up even more worlds of movement.

 
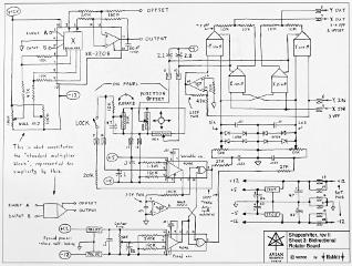
Shapeshifter documentation: operation and tuning Shapeshifter 1: power and driver amp
      Operation and tuning       Power and driver amp
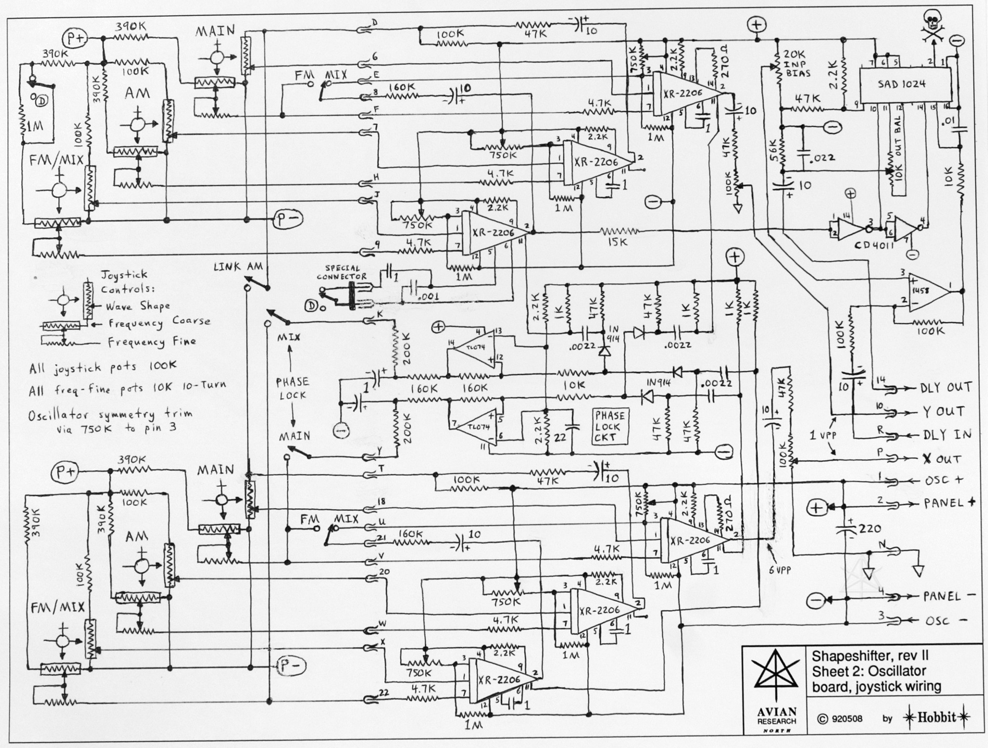
Shapeshifter 2: oscillator board and panel Shapeshifter 3: image rotator board
      Oscillator board       Rotator and output routing
And shape-shift it certainly could, typically producing random spaghetti all over the wall before an operator (*ahem*) was able to master its subtleties.  It took me *months* to really learn to play it like an instrument, and one phase of development was to add fine-tune frequency pots just to make it easier to resolve a wildly changing figure -- because it was almost impossible to do just with the joysticks in certain ranges.

The entire box also needed to be kept "in tune", from various bias settings in the signal-generation part to tweaking the DC-coupled galvo amplifiers so they'd track the signals most closely.  The rotator board in particular was rather finicky, requiring a "dance of the eight trimpots" to get it centered and biased correctly.

[Amusingly, this was my second lifetime electronics project with six base oscillators inside it.  The first one was my Blue Box, which is still kicking around in the Hoard someplace and can probably still produce MF.  Not that anything is listening for it anymore...


  So that's basically where my Eighties went, in addition to my advancing career in the "mainframe" class computer systems and networks of the time.  Our last Big Show together was in 1993 when we got an official timeslot to run in the Park Plaza's main ballroom at Arisia -- a room I've always loved working in, and it was great to be back in it many years later for the "emergency backup" Arisia 2019.  Our '93 show was a lot of work to prepare and execute, especially when we were trying to coordinate and choreograph our music and frantically put together some last-minute gear.  The next year our crew sort of said "F all that" and all went skiing together that weekend instead, the only Arisia I've actually missed.

Although that wasn't strictly my last gasp.  I had pretty much moved on to other things by then anyway, and my gear for the most part sat in storage and didn't get on the road like in the glory days.  But on a lark I decided to pull parts of it out for Arisia 2010 and set it up at the club-dance for people to come over and play with.  I didn't bring the full rig to that event; the main switcher and effects box stayed home for that one.  I was kind of amazed that the argon even still worked by that time -- laser tubes have a disappointing tendency to leak their gas, however slowly, and eventually become weak or nonfunctional.  But here it was, seemingly as bright as ever, and the Shapeshifter was still in good internal tune and didn't really need tweaking to work as it should.  As far as I know all this stuff would still have a good chance of working, but at this point would need to be powered up very slowly and carefully, to be gentle on the elderly electrolytic filter caps.  Maybe such a blast from the past, with or without repairs involved, could be a future "retro" project.

 
Testing a subset at home, January 2010: The American 60X argon head with its monster power supply and cooling duct, drawing a simple figure through the galvo head as controlled by the Shapeshifter.  Note the custom-cut fan outlet in the "Overkill" box, a fun exercise in careful Dremel work. Shapeshifter drawing a figure with the argon laser

_H*   201204