| By now there have been numerous times when I'm at some car or
energy event, and someone's browsing down my printed
mods list
taped into the side windows and asks, "What's a Yuppie Button?"  Those
two words seem to leap off a fairly busy page at them, which both I and
they find amusing.  Then when I explain it, they become even more amused
but also immediately understand the purpose. It is a simple wiring hack that when triggered, lights all the bright lamps on the rear of the car at once. *All* of them. It provides an attention-getting signal using only the stock, DOT-approved illumination devices from the factory, to help alert following drivers to a potentially hazardous or improper condition. An abrupt and unusual pattern of lights attempts to signal a driver to wake up, put down the phone, and pay attention to focus completely on the situation at hand. Maybe it's something minor, like turning off the high beams. But in the majority of cases, the safest course of corrective action includes slowing down and/or backing away to increase following distance, and is indeed the usual real-life usage intent as aggressive tailgating and dangerously close vehicle proximity has gotten ridiculously out of control on our roads these days. The Yuppie Button is an essential piece of safety equipment. Ask almost anyone what they think when other drivers get up too close behind them and fill the rear-view with grille. Many will respond with "ooh, I *hate* the tailgaters. It's so dangerous. Especially from trucks." If they've ever been rear-ended they may be even more sensitive to it, but probably still feel that the matter is out of their control and that they can only hang on and hope the adversarial bogey on their six eventually passes or turns off. But we can never count on that and it's a situation that should never occur in the first place, never has the existing laws against it enforced, so long ago I decided to *do* something about it on my own. 
   As amusingly presented as Sam's message is here, on mud flaps or a bumper sticker it is far too passive. A strong means of interactive, immediate communication is needed to make any impression on our cellphone-addicted, TV-culture populace with zero attention span nowadays, or they just don't get it. This article details the early motivation and development of the project, the specifics on how it's done in a Prius and some subsequent improvements, and some usage and philosophy musings based on real-world experience. History This is not a new idea. While not necessarily aimed at best fuel-efficiency techniques at the time, my driving style became quite mellow over the early years of its development and I often felt a need to at least warn drivers coming up behind that something was different -- maybe I *wasn't* accelerating as hell-bent out of a side road as they thought I might be. The worst offenders were, in the common parlance of the day, the yuppies in their Bimmers with running delusions of demanding Autobahn-like performance on our stodgy local roads. The common street wisdom of lightly tapping the brake pedal in the classic "brake check" maneuver seemed like anything but a wise course of action because the intent was for the *other* party to slow down, not me. A flick or two of the stock hazard flashers didn't carry nearly the desired impact and would also show to the front, so something better was clearly needed. With the name of the modification already chosen, in the early nineties I tore into the wiring harness of my Trooper to make it happen. This was a thorough job -- the truck's entire rear wiring harness passed through the cabin interior right between the seats in a couple of convenient bundles, giving easy access, and I did a complete front-to-back split of the turn signal lines and running lights along with the other changes. But which of three or four orange wires listed in the wiring diagram carried, say, the brake light feed? Solving that problem yielded an early version of the noid box, a simple Sonalert beeper with a parallel resistor to apply a little bit of load, and a sharp pin to gently puncture insulation just enough to test which wire got energized by a control change. With the piece of harness inside out of the weather, no worries about leaving a tiny hole in the insulation which probably pretty much self-sealed and was about to get spliced into anyway. Soon it all got sorted out, the cuts and taps were done, and a new bundle of wires run up to a little box with *three* double-pole relays inside tucked neatly under the dash. The trigger switch was stealthed deeply away into a steering column bracket that a finger had to be inserted through just the right way to reach it. When activated, it made a nice loud *clack* as all three relays snapped over at once. And it worked. Even in those days before universal third-eye brake lights and ordinary slow lamps instead of LEDs, I'd fire it at some car screaming up too fast behind me and see a satisfactory change in velocity -- sometimes abrupt enough to produce a little nosedive, which told me that they hadn't really been paying that much attention and would have gotten a lot closer if nothing unusual had happened. Already I could see the merits of this as a safety feature, and there were quite a few occasions when I'd see a highway slowdown way ahead of me and start laying into the thing to better warn traffic behind that something odd was up. I liked the low-key approach from the beginning. People I've described the concept to would sometimes brighten up and reel off stories like "wanna know what my uncle did? He mounted two big FOG LIGHTS on the back bumper, and any time someone came up and tailgated him, WHAMMO!" Well, there's a fuzzy line somewhere between safe, effective, and obnoxious, and as tempting as it might sometimes be to completely blind an interloper to the rear, the intent here is notification rather than injury. Plus, they have their nice factory-installed and entirely legal high beams to fight back with. The trusty but fatally rusting ol' Trooper was succeeded a decade-plus later by the Subaru wagon, which I didn't really like all that much but knew it was a sort of temporary, interim solution anyway. It hauled its share of gear and made some long trips, but it didn't get this extent of mod -- only a couple of simple hacks were done on it but investigating those also made me more aware that automotive electrics were radically changing over the years. Then the Prius came along, opening up whole new worlds with fascinating combinations of technologies to study and realizations on what that driving style I had evolved over years was really for: hypermiling, for some value of it, with emphasis on its combined beneficial goals of improved safety and efficiency. At the same time it seemed that as the internet rose steeply into ubiquity, that driver behavior and attitudes in this country had followed an opposite but equally precipitous dive, all over only ten or fifteen years. 9/11 didn't help, because then you had millions of people plastering little yellow-ribbon stickers onto their cars and reaffirming their god-given all-American right to be pushy on the roads and waste as much fuel as they wanted -- certainly a strange reaction to learning in a particularly poignant way that for that privilege we were sending lots of money to nations that hate us, and inexplicably taking out that frustration on *our own countrymen*. Nonetheless, this idiotic game of antagonistic jungle superiority received the enthusiastic backing of the auto companies, cranking out plenty of big, high-markup trucks and SUVs and selling even more of the speed-and-power myth than ever. Each new improvement in engine technology that hit the news maybe gave a token nod to fuel efficiency but for the most part all that new tech was hailed as giving the motoring public MORE POWER. Couple that with an insanely misdirected and government-agency backed manufacturing focus on mitigating the effects of a crash instead of preventing the crash in the first place, and you still have a socially deadly combination all in the name of "freedom". When people are out shopping for vehicles based on how many *airbags* they include, the whole system is tragically broken. My non-abrupt driving style, backed by the "orbital mechanics" calculations for a relatively minimal energy-envelope needed to go from A to B, was and still is the total antithesis of that. Let it be immediately clear that this does *not* mean being the slowest car on the road leading a long and frustrated parade -- any loaded truck will usually take that honor, especially in the hills. My approach is simply a little different behavior on the "shoulders" of starts and stops and the light-to-light shuffle, leaving generous space ahead, and effective wave damping in traffic congestion. If anything, it frequently gets me *and* several other people where we're collectively going sooner overall, but they don't understand why or how. Fortunately I discovered that I was no longer alone in these efforts, also thanks to the internet and a bit of a resurgence of interest in energy-saving science and lifestyles as well as other car enthusiasts now treading the path of sipping rather than guzzling fuel. Now I could commiserate with my Prius-owner and MPG-aficionado buddies, swapping our sad stories from the road. The attacks from the rear kept getting more frequent and downright nastier for even less reason, as though tooling along at or ABOVE a local speed limit and almost always in the right-hand lane when present wasn't good enough and was somehow still interfering with the supposed rights of traffic behind to go faster. I would also get it from large trucks, whose drivers I used to trust as polite and professional on long night-time drives back in the day but now seemed to behave more like axe-murderers. "Road rage" was all over the news. Even some of the nicest people I personally knew would turn into total animals when they got behind the wheel. While tailgating and aggressive behavior is hardly a right but rather a blatant abuse of a granted privilege, how about *my* right to safe, orderly travel without being continually threatened with real, physical danger from other road users? Especially those wielding the 40-ton sledgehammers? Clearly, the Yuppie Button needed to make a comeback. Maybe as a Flaming Asshole Button this time, but that doesn't flow quite the same way. [Click the small pictures for larger versions.] | 
| So the hardest part about the circuitry is finding the right leads where
they are most accessible, and what to do with them.  The only higher-current
item is the brake lights, which would draw 5 or 6 amps if they were bulbs
but only pull about one amp as LEDs and are much more visually punchy. 
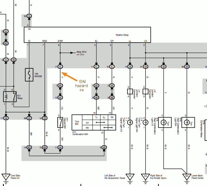
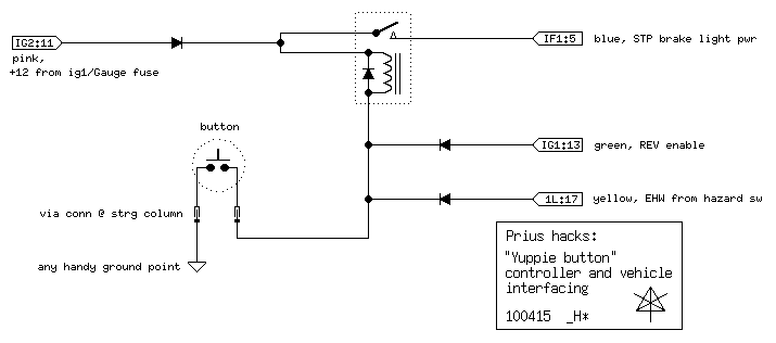
 This in conjunction with the circuit diagram and connector-location list, as usual, narrows down where to splice in connections. One +12 supply line is needed, taken from the IG-ON switched "gauge" fuse and brought in through a diode to avoid letting the always-on brake-lights circuit back-power the meter assembly when the brake pedal is pressed. [If you heard a soft "oops" muttered in the distance here, you heard correctly...] 
This is somewhat specific to the 2004 and 2005 Prius.  In the 2006 - 2009
model, for those interested in actually doing this sort of thing to their
own cars, take note of the following wiring changes:
 | 
| With a couple of minor design compromises made for the sake of minimizing
wiring connections, this all went together in a refreshingly simple way
when originally installed -- so simple that it never even seemed to deserve
a writeup, even though some of these pictures were taken during early
assembly with some sort of eventual documentation perhaps in mind.
Obviously the specific wiring implementation will be different for each
vehicle model, and having a circuit diagram at hand is essential.  One mild
downside of taking the simpler approach is that the directionals behave
exactly as though the hazard switch were used -- all four of them blink
rather than coming on steady.  That's actually okay, because following that
blink rate with use of the button itself produces an interesting visual
progression: the brake lights, being LEDs, pop on instantly, where the
lamps of the other lights take a little bit to catch up.  Letting up on the
button around the same time as the turn-signal relay would click back off
produces the opposite effect -- brake lights out, lamps fading down a little
more slowly.  This produces an odd up/down sequential effect in the light
assemblies on the rear of the car, almost looking like the funny switching
patterns done in some emergency and service vehicles.  This probably has a
certain benefit when people see it.  The alternative is to just hold the
button down, letting the flashers flash and lighting everything else steady.
Two different visual effects for the price of one! The rig stayed in this configuration for a couple of years, serving me quite well over that time. Having the ability to make a light-show explode from the back of my car saved my butt on more than one occasion, I'm convinced of that. Talk about "nosedive" -- when it's clear that drivers who would never have looked up in time from their texting have their attention drawn by a strong changing visual stimulus where they're *supposed* to be looking and visibly [and sometimes even audibly!] slam on the brakes that much sooner as a result, I know that ability to launch the "aft photon torpedoes" just paid for every minute I spent investigating how to implement the mechanism. That's real life on the road, right there, and even the NHTSA is beginning to realize the merits of such devices and conduct preliminary studies on improved rearward signaling ideas. I suggest reading that and the related studies listed at the end before offering the "... but white lights to the rear when you're not backing up is illleeeeeeegal!" counterargument. Tell that to any tow truck, good-samaritan van, or service vehicle that has white warning strobes built into its tail-light assemblies. Ask the makers of late-model cars that include a "perimeter lighting" feature, which turns on the reverse lights among others when the remote-clicker unlocks the doors [and frankly, can scare the crap out of people passing by in parking lots] if they found anything against building it that way in the Federal Motor Vehicle Safety Standards. [I couldn't find anything specific in the Mass. General Laws chapter 90, either, and what little wording exists on the subject in 540 CMR 22 [local copy] is hazy at best.] This isn't what would be legally termed "auxiliary lighting", white or otherwise -- it is an intermittent, occasional-use device to increase vehicle conspicuity and attract driver attention to a safety hazard, where the restrictions and rules are a much more ill-defined gray area at both the federal and state levels. The NHTSA itself is considering the addition of white and other colors to transient rearward lighting as part of enhanced visual indication to following vehicles, but are only just getting started on evaluating ideas. Clearly, there is a perceived need to go to the next step beyond third-eye brake lights. Something to note carefully in the NHTSA studies are the ranked crash statistics justifying the inquiry, summarized thusly [partial quote]: 
 
 
 
 A few more lessons were learned over time, too. The very early days of the YB were infrequent warnings that something might be amiss or not as expected. But as conditions and attitudes progressively degraded, in its second incarnation it became more of a defensive mechanism -- a "get off my ass" light, used on the highways more and more frequently in conjunction with a leftward-pointing thumb out the driver's window indicating "go around already". Thumb, not a finger, to eliminate any misinterpretation of which finger it might have been. In many cases that clarified what I wanted, although the response even with that added would depend heavily on the following driver's attitude. I'd say that most of the time I would see a satisfactory retreat and/or a left blinker go on, and naturally a certain proportion needed another reminder after starting to drift up again. But this frequently-necessary "full Monty" treatment required two-hand involvement -- getting the driver's window open, the button, and the thumb. This began to get cumbersome in congested situations, and I began to think about a safer and more efficient way to communicate. Stamping out tailgating in our lifetime? The inspiration for the minor ergonomic change needed came while nearing home from a small roadtrip along one of the usual meat-grinder stretches of local interstate, and the preliminaries were noted to CleanMPG: ... being able to send a jarring, unusual visual signal from the rear of the car has become absolutely essential safety equipment. It has very likely saved me from being rear-ended on more than one occasion, and has time and again proven its worth in waking up the distracted and getting them away from me. But as a button on the side of the steering column, it requires moving a hand off the wheel to use. I've decided that in the interest of increased safety and convenience, it needs to become foot-operated. By my *left* foot, which basically does nothing when driving.By the time my post sank into oxide at the forum database, I was already rummaging through parts bins in search of a suitable switch. I remembered the headlight switches from the days of yore -- a big, robust metal click-button on the floor to toggle high and low beams, because in the days before relays handled everything that switch needed to reliably handle ten amps or more. And drivers managed that *and* a clutch with the left foot in their manual setups just fine. The original small but nice C&K click-action pushbutton would likely be too fragile especially when getting stomped with a shoe in winter, and I soon turned up a larger and nicely low-profile one. | 
|   | The new switch also gets connectorized with a two-pin Molex, above which one lead goes to the same ground-point as for the fuel-pump telltale LED [green arrow], and the other side heads up toward where the original YB ground point was at the kneeplate. | 
|   | The new button is easy to reach, but not in a position where a relaxed left
foot during driving is actually likely to hit it.  As mentioned, usually I'm
not even on the dead-pedal at all. 
 [If this picture raises another question in the reader's mind, the answer is very likely here.] | 
| Besides the safety improvement, an overall rationale in favor of foot
operation went along with this fix as also noted in the preliminary post: Look at it this way: I control my distance to the front and defuse hazardous situations using my feet. I also use lights to signal other drivers about my needs and intentions -- brakes, signals, etc. There's no reason I shouldn't be using my feet to try to maintain my distance to the rear, too, and lights to carry the message. When the unusual visual input happens *simultaneously* with my thumb to the left or behind, it seems to have somewhat greater impact -- but right now doing that requires taking *both* hands off the wheel, which is just stupid. Moving the function to the unused left foot is clearly the right answer. Even just a couple of quick shots alone with no clarifying hand motions is frequently enough, especially at night -- they back off or go around that much sooner; mission accomplished.After only a short time with the new operating mode, I found that it quickly became as natural and kinesthetic as the rest of the actions of driving. In driver training we are told to "cover" a brake pedal without pushing it but to be immediately ready, to eliminate part of the [substantial!] reaction delay if we see a hazardous situation to the front. Now instead of hovering a hand uselessly next to the steering wheel, my left foot moves almost by reflex as quick rear-view glances bring me the developing story there -- to cover the button for instant operation if/when needed and two-handed wheel control is maintained, even more important while also smoothly swerving to try and avoid the numerous bone-jarring holes in our decaying road infrastructure. This is better control and whole-body integration into the task of driving with 360-degree awareness. | 
| And the better immediacy is useful, as things can happen very quickly in
traffic and getting attention of those following properly focused should
happen in as timely a manner as possible.  To put it in more amusing
space travel terms,
like navigating the asteroid field ahead while fending off the pursuing
enemy fighter ships.  But all fantasy aside, this is real endangerment
and a slightly more real way of trying to apply a remedy. [Click this pic to see some of the best "wall of shame" shots. Scary stuff!] |   | 
| There is of course an irritating mismatch in front vs. rear distance
control effectiveness that I can't fix, because it's a much larger societal
problem.  The Yuppie Button is at best a warning and a strong request,
which other drivers are not only free to ignore but will occasionally
react to in entirely the wrong way.  So noted in the forum post: There are undoubtedly those who would argue that I should be using the pedal on the right to control my distance to the rear, but when I'm already at or above the PSL and/or tooling along at the same speed as traffic ahead, those people can go pound sand as it is hardly a realistic or safe course of action. These are frequently the same people who seem inexplicably drawn *toward* a festival of light emanating from the rear of another car, and who also tend to express their conclusion that it's the, uh, #1 automotive electrical modification they've had the good fortune to be stuck behind. As warmhearted and congenial as their feelings on the matter may be, their driving *privilege* does not confer any conceptual *right* to place other road users in harm's way. The button and its surrounding concept is not necessarily for them, but the fact that a message *was* passed can have long-term, subtle effects in future thinking. I know I have already retrained a couple of "objectors" around the local neighborhood -- they might have given me some crap at the time, but now they do hang back if they happen to find themselves behind me on the way in or out. They at least know it's useless to try and push, and they still get to the package store in plenty of time.</sarcasm> In other words, we have our share of drivers who see *and understand* the intended communication, and just cop an attitude about it and ride closer. In cases of supposedly professional drivers like truckers, those are the ones that get called into their dispatchers and safety managers as soon as feasible, even if it means lengthened trip time to stop somewhere and use the phone. We *cannot* have attitudes like that being paid to be on the road, period. Only by taking the time and effort to follow through on such violations will we ever begin to effect change at that level, and it's important to let service organizations know in the strongest possible terms that some of us have developed ZERO tolerance for that kind of reckless crap. They actually appreciate it, as it gives them a window into what's going on with their personnel even when the news is bad. Bringing personal and organizational accountability into the picture whenever possible is probably about the only feasible escalation path, as other actions would probably lead to physical violence. It also reinforces the emerging notion that driving on the public roads is a public activity, best served by cooperation rather than competition, and that personal safety and professional image sometimes hinges on un-learning a few bad lessons. Training programs like the Smith System make best efforts along these lines, but it's all too often that good theory yields to bad practice. Sometimes the news is even good -- for some bit of balance, I've been known to call trucking company dispatchers and discuss when I observe *good* behavior on the part of their drivers: giving plenty of distance, observing speed limits either electronically-enforced or not, and smoothly handling on-ramps without fuss or aggression. This has led to positive reinforcement and some really good conversations. And guess what, the groceries still get to the stores just fine. What really needs to happen across that industry is for drivers to get paid by the hour, not the mile. | 
| Button borkage A few days after the foot-switch rework, the Button stopped working reliably and soon pretty much stopped working at all. Fortunately I wasn't far from home, because already I felt naked and helpless without having it fully functional. My Yuppie Button had turned into a Yucky Button! A little electrical isolation revealed that my wiring was still fine and the new switch itself was at fault, not actually connecting its two leads reliably. As a> such events are relatively rare, but b> the switch was not actually all that new itself but from surplus or disassembled gear, some analysis was in order. We do know that switches can fail in such a manner -- look at the recall on the original 2004 Prius brake-light switch, for example, which replaced it with a different type less subject to degradation. | 
| Future considerations As noted earlier, the NHTSA and other road safety entities are studying innovative means to more effectively bring driver attention to where it needs to be. Note that these are relatively recent efforts -- the final NHTSA report linked above is from April 2009. Somewhat lighter reading, so to speak, may be found in some of the more preliminary reports from quite a few years prior: 
   
Task 1:
Literature research, statistics review, and call for ideas [2002]
 Some of the ideas brought forward by the public in these reports are quite amusing, but makes it clear that safety advocates are thinking pretty hard about the distracted driver problem. [Clearly more than the automakers, who keep adding more and more on-board electronic toys to mollycoddle us into a bizarrely false sense of security, take one's attention away from the road ahead, and further the feelings of isolation that help breed hostility among drivers.] Patents on many of the proposed devices have already been issued. Some use existing lamps on vehicles, and some add extra emitters in a whole variety of proposed colors and timing schemes. At this point I think of the Yuppie Button as an independent prototype, with high value in almost two decades of real-world experience behind it. LED-based lighting is helping quite a bit as the fast rise and fall time of LEDs does attract more human notice than changes given by filament lamps. We're already seeing various types of aftermarket brake lights that rapidly flash a couple of times on application before coming on steady, particularly on motorcycles and trucks. Indications are that such things do help to reduce crashes, but to a somewhat disappointingly smaller percentage than we might expect. Then again, drivers have been known to slam into the back of *parked* police cars with the full rollers going, so you can't fix stupid other than to proactively take it off the road. One improvement to the Yuppie Button as implemented here might be to replace the relay with an electronic driver to rapidly pulse the brake-light circuit at the recommended optimally "frantic" 5-Hz rate. Another might be to start adding additional LEDs mounted through the existing rear lamp housings, but that starts getting into DOT approval issues which may not be worthwhile to pursue. I am still considering additional strong emitters to fire a *single* short pulse upon each application of the Button, thus giving me full control over rate and number of visible events. Then there's always the idea of a large scrolling LED sign-board in the rear window, with messages like "If you want to keep your job, you will BACK OFF right now and stop endangering other drivers with that rig" and such. However, one must be cautious about any escalation path. Either way, I would like to see such research not only move forward quickly but also head in the direction of evolving a worldwide *standard* way for drivers ahead to indicate unsafe conditions to drivers behind and ask for corrective action. Schemes have been proposed to do this automatically, such as in radar-based cruise or guidance controls to maintain some notional "proper" following distance between vehicles, but the approach is fundamentally flawed unless the controlling request is able to originate in the *lead vehicle* and take into account, within reasonable constraints, the comfort level of its driver. Many scenarios could be mitigated by some sort of vehicle-to-vehicle communication to help pass situational data back along the line, but then the question is what to communicate, how much human influence and/or content that should have, and how to handle the inevitable mess when only some of the road traffic has such devices installed and the rest doesn't. With driver attitudes the way they have become over time, would an idealized, distance-aware car-to-car voice communication channel [like we perhaps almost had in the CB days?] actually help drivers cooperate and express their desires/needs and help each other out, or would it just turn into the world's biggest F.U. network and another deadly distraction? With sufficient deep-seated change in which competitiveness, impoliteness, and bullying were publicly and popularly unacceptable on the roadways, I'd like to believe the former but what I'm seeing nowadays doesn't provide a whole lot of hope in what human nature could ultimately accept. |