
(Caveat: mostly describes 2nd-gen...)
Immobilizer conversation
Fob-slot switch and/or SKS sensing
ACC
Clock, stereo, MFD, power-outlet
IG-ON
All ECUs boot up
HV battery ECU enabled (can read SOC, block voltages)
But HV battery itself is NOT online yet
Normal systems (windows, wipers, etc)
Neutral enabled (2nd-gen)

Three main networks in 2nd-gen
CAN -- high speed, 500 kbit/s
BEAN -- body electronics
AVCLAN -- stereo, nav, phone, etc
Screen beeps are AVCLAN command to stereo
Major players for driving:
Hybrid ECU, engine ECM, skid-control, battery ECU
Steering-angle and yaw if VSC option
Gas gauge all-blinking means "no network"
Which means your scantool won't work either

Can shortcut to here w/ brake switch
But everything else listed previously happens anyway
Inverter precharge (20 ohms)
Prevents huge current spikes
Main (+) connects after short delay
Battery contactors
Listen to click pattern back there
DC/DC converter starts
See jump to 13.8 - 14 V
Coolant storage pump-in
See ECT tick up and then slowly fall
Doesn't always happen...
Engine starts ~ 12 sec into it
unless we quickly select Neutral or EV-mode
1000 RPM cranking *sounds* like running!
"Runs, then dies" complaint may be a plain ol' no-start
Retarded warmup run, ~ 1 minute
You can *hear* this underneath
"Flames roaring down into the cats"
Some battery charging for extra load
Higher fuel consumption!
Engine not used much at first
Car moves on electric-only during that first minute
You can drive away, but be gentle
No shutdown until 40 degC ECT
Unless you punch the EV button...
"Five stages" document tells whole story
http://techno-fandom.org/~hobbit/cars/five-stages.txt
1st-gen is a bit simpler:
No coolant bottle, no EV, no CAN
HCAC valve and VSV purge command after warmup
Both methods reduce cold-start emissions

Noises
Battery relays
Pump-in
Inverter coolant pump
ETCS motor PWM
Neutral prevents first engine run
If your timing is right...
Useful for "4 drive cycle" MIL self-clearing
Quiz: why does the car shake in Neutral idle?
Hint: inertia
(well, *I* thought it was misfire at first...)


Foot on brake!
Review shifter state chart...
2nd-gen beeps twice if you do something wrong

1st-gen: manual parking linkage
2nd-gen: electric parking actuator
(shown here)
Again, something you can hear
60:1 harmonic drive, to forcibly pull pawl
Remarkably fast given the gearing ratio...
3-phase brushless motor, driven from ECU
Passive reluctance rotor, not permanent-magnet
Hall sensors feed back to ECU to confirm operation
(This is how the car knows when it's disabled)

Accelerator by-wire
1st-gen: dual-wiper pot
Reliability issues -- "big hand" syndrome
2nd-gen: dual Hall-effect
Much more noise-immune and smooth
Driver demand
Humbly beseech the hybrid ECU to go faster
Engine run/stop based on MANY factors
Battery usually seeks 60% SOC
Force-charging
Brake + Drive + accel
Like tranny-loading, but only up to a point

Hybrid ECU does a lot of this
Read inputs, do math, control the motors
Ask for engine torque (or not)
HV ECU gets NEO copy of CKP for RPM and TDC
Exact algorithms still unknown
... after five years of guesswork!
A few parameters and thresholds
Temps, speed, demand, SoC, RPM, braking, ...
And *rates* of change, which is very cool
At 60% SoC, ICE-on threshold == 10 kW
Mostly NOT based on vehicle speed...
Response hysteresis

High ICE torque load most of the time
Nonlinear throttle response
Basically "snaps" open near bottom
From there, it's all about RPM
This sits well with the hypermilers...
Variable "ratio" is very wide
To "upshift", back off your foot!
Fake coasting drag is really mild regen
Quiz: What's MG1 RPM here?
I'm doing 66 mph turning 1800, so ...

Heretical mode
The red line is a hint..
MG1 must be pushed backwards
Negative split, overdrive, etc
Miscellaneous limits and states
6500 or 10000 RPM on MG1?
up to 41 MPH electric-only -- protects MG1
Full operation above 70 deg C engine temp
No-ICE "B" below 20 MPH
Warp Stealth > 42 MPH
Warp Neutral ...
The list and the fun goes on...
As does the confusing terminology
But the OWNERS know all about it!
Observe start, warmup and drive cycles
And all the operational hints
Graph MG1 RPM
Compare scantool vs. gauges
Force charging


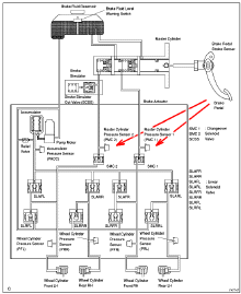
Brake by wire, with backup systems
This is one of most complex aspects of the car
Skid-control ECU, actuator drivers
Spikes are heatsinking
ECB is ABS on steroids -- pump, valves, ECU, etc
But with MUCH more integration w/ hybrid system
... so what's this "regen" thing?
Other things visible here:
DLC3 above driver's right shin
Small grey box is a warning beeper

Braking request == CAN traffic
Skid-ECU: "I want this much negative torque"
HV-ECU: "I can give you this much"
Foot pressure is simply stored and returned
MG2 commutated as a generator
Energy sent straight into battery
Regen limit == 50A in Classic
100 - 120 A in 2nd-gen (pack fused at 120!)
Skid-control ECU handles the excess
Hydraulic pressure metered out to wheels
(rears first, for balance)
Hydraulics used as LITTLE as possible!
2nd-gen regen efficiency improved over Classic
GAME OVER at 7-8 mph
Insufficient motor RPM anymore, even with boost
Fall completely to hydraulics for remainder
It's easy to feel that transition

Most of this is in the actuator block
Solenoids, pump, pressure-sensors
Braking request == MCYL pressure
Request read from PMC1 and PMC2 (red)
Fluid redirected to stroke simulator spring-piston
to provide normal "brake feel"
SMC1 and SMC2 normally closed off
Wheel pressure sent from the accumulator
Apply/release solenoids do their dance
Pxx per-wheel sensors provide feedback
Stroke-sensor pot on pedal is for speed only
Quick swing == panic stop, don't regen
Medium swing == mix of both, not all-or-nothing
Bumps cause regen torque/current blips
System gives up on regen at that point!
... until some indeterminate time later ...
Many newbie owners ask about pump noise

Power supply and capacitor bank
Think of it as "vacuum boost reservoir"
Enough for a stop or two if 12V goes
It's in the BACK, next to the 12V
Direct hydraulic to front wheels
If all else fails (or no power), SMC1 and SMC2 open
No assist, but you can limp home
...or to the dealer...
For example, PMC2 stuck at 5V ...
Highest input takes precedence?? Yes, apparently
Only one of three inputs, no "voting"
NASA would disapprove!
Skid ECU is powered even with car off
First brake-light tap enables it
Stroke pot monitors re-activation threshold
You can hear high-pitch solenoid modulation
Careful study is well worth it

Safety: pull accumulator relays
Two ABS MTR in front block
Slow press-n-hold cycles until beeper stops?
Scantool "zero down" and "ECB prohibit"
Depressurize before disassembly!
Reserve is high-pressure nitrogen cylinder
Over 2000 psi on tap
System self-recalibrates 2 minutes after shutdown
Brake/ABS blink codes via grounding TC
DLC pin 13 -- y.a. custom assignment
ABS/ECB DTCs are NONVOLATILE
Look up the code-clear procedure...
Bleeding procedure is VERY complex
Easier with a bi-dir scantool
Don't let ANY air enter the actuator/accumulator
Many calibration levels in memory
Do not interrupt self-initialization!
All detailed in repair manual
"liner valve" means "linear"
Otherwise, they're ordinary brakes
Pads/shoes last a LONG time!

Surfaces rust up due to less use!
especially inner side Classic rotors, not sure why yet
Use Neutral trick to clean
get to speed, select N, brake evenly to slow
Ooh, energy loss!
Am I regenerating?
check ABS/brake lights & codes
check HV battery current when slowing!
Overuse of electric-only
Conversion inefficiency
B-mode myths
No, it doesn't mean "battery"
Like dropping into "Low"
It's fairly complex, see my writeup..
http://techno-fandom.org/~hobbit/cars/b-mode.html
Diagnostic thought process
Customer: "I hear a suspension klunk when braking"
Tech: "During regen or physical?"
Mess with regen, watch IB and pressure
Pull ABS MTR and drive/watch
Invoke ECB PROHIBIT and watch


Rear of car
Left side in Classic
Right side in 2nd-gen
AGM type, smallish capacity
Heaviest load is probably the brake accumulator
30A capability can jump the car
Use a "smart" charger
Features to note:
The red cover is a PITA
Main 12V fuse is under it
Small white wire is voltage-sense direct to DC/DC
Black box is brake power supply/caps
[the blue Anderson connector here is NOT stock]
No aftermarket 12V for 2nd-gen yet
Some owners have kludged in Miata units

Startup current draw
Accumulator pumping (brake pedal)
Booting -- see "start" section
Coolant pump probably *just* started...
Drops negative as DC/DC comes online
Electronics base load is 300 - 400 W
aka 2 amps from HV battery
"OFF" draws about 11 mA
Smartkey enabled == considerably higher
"Dead Prius" in airport lot...
Prius can !carefully! jump other cars
100A limit, so just let target battery charge
UNHOOK before target tries cranking

Electric steering assist
ECU/driver and motor behind dash
Worm angle allows manual turning
Evolution of torque sensors
1st-gen: pot wipers
2nd-gen: inductance bridge
Steering shaft recall
Many Toyota models affected
Driver + assist torque is powerful!
Common complaint: dim pad button light

3-phase scroll compressor
With its own inverter section
Variable speed
Runs from HV battery
Why? Think "2 KW" in terms of current
1st-gen is traditional belt-driven
Engine runs whenever A/C is on
This is why they're going electric...

Drivers-side junction block
Contains body ECU -- see "bodyecu" webpage:
http://techno-fandom.org/~hobbit/cars/bodyecu/
Four relays are *totally* buried in here!
Likewise with some relays in underhood block
Major fuses are a single link-block
Potentially expensive proposition
> 2000 pin/socket connections in the car!
Inverter pump runs all the time
Surprisingly robust? Few if any replacements
2nd-gen has electric hatch latch
There *is* a release, well-hidden
Current-ramp some ancillary devices
Run A/C from MG1
Find the hatch release

1st generation
HC adsorber valve rust-up (P1430 etc)
Original GS 12V battery (TSB EL014-03)
HV battery terminal corrosion fix
P3190, P3191 sporadic no-starts (TSB EG011-03)
Throttle body crud
"Big hand" syndrome, accel pedal
Wheel bearings at 100K?
Very early injectors?
'01 Power steering rack and sensors
Inner rotor rust
ECU upgrades (8 yr warranty)
2nd generation
Display-screen degradation (reman available)
Brake light switch flakey (warr. repl)
Engine compartment gasket
Inverter coolant leak (EG017-05, rare)
Stalling (SSC-50P), all over the news
Steering shaft recall
"Lifetime" transaxle fluid?? wrong
Guess-gauge
Cowl drain holes (mine, anyway)
ECU upgrades (8 yr warranty)
Advise the customer...
Brakes grabbing (8 mph) -- use N trick
HV Battery temp limits current -- known
HV Battery maint. cycles (rare) -- known
Blind spots -- move the mirrors
Engine runs more for cabin heat -- bundle up
Traction control "loses all power" -- be patient
Tank bladder in the cold -- fill slowly
Loose gas cap -- evap
Out of gas! -- duh...
Cell phone pairing?
That Smart-key you disabled earlier...
Cars generally very reliable

Drain holes plug up easily
Could flood into blower inlet
OEM tires
Many complaints
Body flex
But there's an elegant solution!
http://priuschat.com/shop/product_info.php/cPath/6/products_id/21
Repair costs
Large expensive FRUs
Totaled for minor damage?
Forums encourage "get genuine Toyota parts"
Wiring
Substandard gauge (the NEC would disapprove)
Tight harness sections
Buried parts
Really oddball color assignments...
Exhaust path
Hangs a bit low past the fuel tank
Not 100% stainless?
Interdependencies
Need working MFD to run heat, audio
Need HV battery/system to start/run
Meter module drives backup lights?!
Scantool info issues
Standardization nightmare
OBD Protocol bugs in '04 (SSC 40D)
NO aftermarket has 100% OE level support yet
This is not the IETF, mandates are needed
No more 12V --> HV boost charger
The NHW10 early Japanese model had one!
Ford kept the clue about that for the Escape

Sometimes Toyota just screws up
Reversed starter-hole blockoff plate
MG position-resolver harness at some risk
Stony silence in response
Scope some signals, compare with Techinfo
Scantool comparison/shootout
Find the #1 injector line
watch results of bi-dir injector cut
Diagnose some faults
Both known and unknown...

Plug-in hybrids (PHEV) are coming
Several prototype Prius efforts out there
Learn motors/inverters/batteries NOW
10 KWh handles avg. 40 mile commute
Prius PHEV is ignoring the oil pump!
What about city dwellers??
Current hybrids are a "bridge"
Or a stopgap, depending on how you see it
"Half a pack a day is still smoking"
Power-wagon hybrids aren't helping

The Rav4-EV pack
> 100 mi range
Toyota has killed this, too
(with a little help from Cobasys)
Didn't get nearly as much press..
New efforts, consumer pressure
The treehuggers have the right idea?
Now, if only the administration did...
Let's put all that stuff back together...
And thanks for being here!