A Tach in Every Prius

[Most pictures are links to larger and more detailed ones. It may help to maximize your browser window.]
Are you using your engine efficiently?  How can you tell?  Toyota for some
reason decided to not include a tachometer in the Prius dash displays.  It is
especially irritating because there are definite "sweet spot" RPM ranges the
high-MPG enthusiast should strive to maintain, and the engine is so smooth
and quiet it's really hard to do that by ear.  It could be a good [and fast]
indicator of when the engine is actually running, to better know what energy
source is powering the car at any moment.

But there are plenty of electronic tach units on the aftermarket, and it's
easy to install one in the car and find the right ECM lead to tap as an RPM
signal input.  One caveat is that some tachs may need a small modification
to make them sensitive enough to low-voltage signals.  Some older units
were designed to connect to the distributor points lead, which would carry
fairly high-voltage spikes from the coil primary.  Modern 12V or even 5V
pulse levels may not kick these tachs hard enough to register.

Another caveat is that in the Prius, there are times when the engine is
spinning but not burning any fuel.  Since ignition also ceases, the apparent
RPM will drop to zero.  Just keep in mind that this generally happens above
41 MPH while coasting, and may provide a nice way to check that you're
staying in warp stealth mode -- just that little bit of foot to remove drag
but without any RPM registering means you're using no gas!

While the tach-modification and circuit discussion gets fairly technical
through the middle of this, don't worry about that if you know you have a
unit that can deal with lower trigger voltages.  Just skip down to the part
about how to hook it up!  Then the hardest problem just becomes where to
mount it on the dash.  For the '04 and up Prius, somewhere fairly close to
the sight-line to the speedometer is recommended, but not blocking any other
instrumentation or the view of the road.  It may depend on how large the
dial of the tach is, too.  With that large featureless black expanse of
dash-top plastic, there's plenty of room but where are you going to put
something like this that isn't going to look butt-ugly?  The reader gets
to solve that problem.

I have had a big ol' seventies-vintage mickey-mouse tach in my own car for
quite a while now, but I also have this extra cute little mini unit kicking
around in the parts boxes. I'm not even sure why I have it, but I think the
idea was to add extra gauges to some previous car and the project never got
started.  While I've only mentioned the other existing tach in the Prius in
passing, I never really documented it, so this is a good opportunity to do
a full writeup on tachs in general and encourage Prius owners to get that
additional insight into their drivetrains.  So this page is long overdue,
especially considering that some of the earliest forum postings way back
in '01 were asking "okay, why doesn't this thing have a tach and a battery-
current meter?!"  Even before I knew about the archives, those were pretty
much the first mods that went into my car.
Expand the picture to read some of the original instructions for this one.
This has four wires -- red and black for 12V power, green for pulse input,
and white for the backlight.  If a tach is likely to work on low voltage
pulses, hooking up power and ground and brushing the green wire across
either + or - or alternating between should make the needle kick a little.
This one doesn't out of the box, despite the fact that the instructions
imply that it should, so it's time to find out why.  If you've obtained a
tach that claims to work on all modern electronic ignitions and it passes
the same test, you can probably skip past all the in-depth analysis that
follows.

I got lucky with my original tach; it works fine from the RPM signal I
tapped without any modification.  This one, on the other hand, requires
a bit of research so now it becomes a good teaching tool.

First thing to come off is the bracket.  Here we also see the convenient
slide switch for selecting the number of cylinders.  Notably missing: 3,
but fortunately the Honda Insight already has a factory tach.

Two more nuts hold the brass studs through the back of the case, but before
any of that can move the front bezel has to come off.  It looks almost like
simply rotating the outer ring might line up the three cheezy little tabs
with slots in the case lip ...

which proves to be true, and all the rings and glass pop right off.  Okay,
good, now the remaining nuts can come off and free up the studs.

The inner works emerge from the can, bringing the wire bundle through the
grommet behind.  Time to be more careful, since the meter movement is delicate
and fairly exposed here.

The other ends of the studs thread into the meter frame, and hold the circuit
board onto the back but spaced slightly away by two fiberboard washers.  Even
with those, some metal parts of the meter magnet are *awfully* close to the
board's solder side so on reassembly, a bit of tape gets inserted.

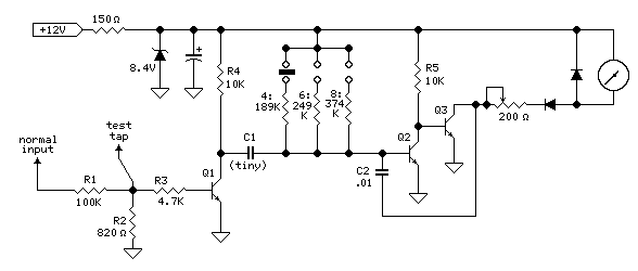
Having the thing apart allows for a full reverse-engineering job.  Here's what
our "latest solid state circuitry" amounts to, and its operation is confirmed
by testing and finding a couple of similar circuits described on the net.

I didn't even write down or look up what the transistors are, but it is soon
obvious that all three are generic small-signal NPNs.  Power comes in via a
simple "brute force" voltage regulator, implying that the unit must draw less
than 30 mA.  A pulse input of sufficient amplitude would cause Q1 to turn on
and generate a small negative pulse via C1.  That's enough to trigger the
one-shot multivibrator formed by Q2 and Q3, whose low-going output feeds
right back to its own input to try and keep itself in that state.  Eventually
C2 charges through one of the cylinder-select resistors and turns Q2 back on,
and the one-shot toggles state again.  The length of the one-shot pulse,
changed to match the number of pulses resulting from one engine revolution,
determines how long current is sent through the meter, and the incoming
frequency of triggers determines how often, so the meter is effectively
driven by pulse-position modulation and its own [rather heavy] inertia
smooths everything out.  [Actually, I could hear the meter movement making
a little sort of "grinding" noise while receiving current pulses once I had
the thing working.]  Fine tuning is done by tweaking the 200 ohm pot.

It's kind of scary to think that some of the high-end, expensive technician's
dwell/tach meters consisted of not much more than this back in the day.

The input circuit is a pretty serious voltage divider meant to handle the
hundred-plus volt kickback from an old-fashioned points connection.  I don't
know why the instructions claim a "12 volt minimum signal" will work, because
100K over 180 ohms doesn't supply nearly enough to forward-bias Q1.  So 12V
doesn't kick it, and the Prius signal is only *five* volts, so clearly I
need to inject a signal after the 100K resistor as a first attempt to make
it have any effect.  Applying 12V there *does* make the needle kick, so
this spot is now the input test point.


Next step is to determine what to bypass the 100K resistor with to make the
input more sensitive.  There's probably a lot of leeway here, and the
nonlinearity of 4.7K and the base-emitter junction in parallel doesn't make
for a straightforward calculation, so we just throw a handful of test parts at
the problem.  Using a 10K pot hooked to 12V and "skritching" the appropriate
spot on the board yields a nice healthy swing out of the needle.  This seems
to fall off and get iffy using 15 or 20 K, so in this case so I figure
something safely less than 10K is about right [at 12V] and considering that
our real-life signal is only 5V, in this case I settled on a SWAG of 2.2K
to handle any reasonable case -- a total load of of 3K or so on the input
signal, which shouldn't upset things.  In retrospect, I probably should
have just measured at the collector to determine proper saturation level,
and/or replaced the 180 ohm with something larger.  Whatever.

The deed is done; new resistor piggybacked right onto the original.

What isn't shown here is a calibration step, which was simply done by running
the headphone audio output from a laptop into the test point at reasonably
high volume and running a tone-generator program to simulate 4 cylinders
running at 8000 RPM -- 267 Hz, and then moving the switch up to 8 cylinders
and making sure the dial then reads 4000 RPM.  The selector resistors seem to
match the intent reasonably well, and after a small tweak to the pot it's
more accurate now.

So, where do we pick up signal in a Prius?  You'd be hard-pressed to find
a set of points in it, of course -- how old-skool!  But there is a very
convenient equivalent.  The four "ignitors", which put ignition coils and
the power transistors that drive them right over each spark plug, are
triggered individually by four low-voltage wires from the ECM.  The ignitors
feed back the fact that they've fired into a single wire that is COMMON to
all of them, called "IGF" for "ignition feedback".  Since the ECM knows which
coil it just fired, seeing IGF go low in response confirms that the ignitor
circuit in question is still alive out there.  But guess what?  One pulse for
each time a plug fires?  Sounds familiar, right?  There's our "points to
coil" equivalent, and is conveniently located INSIDE the car.
Expand the paper-clip photo to see the larger context of where this is.
Under the right-hand end of the dash are the major computers that run the
car -- right to left, we have the hybrid ECU [gray connectors], the engine
ECM [white connectors], and some random interconnect block [more white
connectors].  These are easily accessed by removing the lower glove box
and the right-most vent panel.  And yes, Toyota's own electrical wiring
diagram numbers the ECM connectors in the screwy order shown.  *NOTE that
this is for the model NHW20 '04 or up Prius -- see this for the NHW11
Classic, and consult the manual for other cars.  Toyota uses this ignition
architecture in many vehicles nowadays.

There are numerous methods of tapping this signal, and one temporary and
completely reversible way is the ubiquitous "paper clip" back-probe.  A
standard small paper clip is just about the perfect diameter to slip in next
to the insulation-retainer part of an ECU connector lug and wedge fairly
firmly between it and the plastic shell.  Slightly sharpening the end of
the paper clip helps guide it in.  Be sure to avoid getting between the
crimp connection and the *wire*, or you'll be damaging the connection.
It doesn't take a lot of force to lodge the probe in there next to the pin.
Plastic-coated paper clips also work well and give better protection against
accidental contact with something else, but you have to cut back a little
of the coating to expose the metal.  For a more permanent but still reversible
hookup, one might consider a small piece of solid copper insulated wire of
about the same diameter stripped back maybe half an inch so it doesn't leave
metal hanging out, and attaching a smaller wire to its other end to lead
up to the tach.  One could try doing that with a short piece of the paper
clip, too, but steel doesn't take solder all that well and might make a
less reliable connection.

The other possibility is to just slit the insulation and tap the black wire
in the same fashion I've done with all my other "permanent" connections to
the car, as shown above.  That particular one is somewhere up near the meter
assembly, where I needed to make two connections.  It gets soldered and
then taped up -- simple and strong.  I don't even completely break the
original insulation.

Getting power for the tach can be as simple as using one of these, and
twisting together a couple of quick-n-dirty connections.  Or as complex as
I've done mine, by integrating into a panel that's already got its own power
and lighting and includes a mod to turn on the front "lighter" style power-
outlet without needing the car key.

But for this test, I've thrown together a kludge with the power plug and
hung a test-lead from the paper clip and just taped the tach down in front
of me for a little comparison test.  During a quick run-up here, the two seem
to match reasonably closely, and I think mine is actually reading just a tad
low by now -- it probably needs its own adjustment pot tweaked again after
bouncing along thirty-odd-thousand miles of road.

Bottom line -- the owner community generally agrees that Toyota sort of blew
it by not providing a tach in this car, but it's easy enough to install one
after the fact.  Doing so is highly encouraged, and helps give a much more
confident feeling about knowing what's going on under the hood.  And it can
be a serious fuel-saving tool.
_H* 070409